Skip to content
Lonten Logo
Products
  • Products View All
  • Optoelectronic Integration
  • InGaAs Detector & Component
  • Industrial Camera
  • Scientific Research Instruments
  • Laser Diode
  • Modular Spectrometer
Applications
Why LONTEN?
Resources
News
Blog
Support
Investors
Our Company
Contact Us
Close this search box.
Search
  • Products
    • All Products
      • Optoelectronic Integration
        • InGaAs Array Focal Plane Sensor GD-NIR32030M
        • InGaAs Array Focal Plane Sensor GD-NIR64015M
        • InGaAs Avalanche Photodiode
        • InGaAs Large Panel Linear Array Focal Plane Detector
        • InGaAs Negative Feedback Avalanche Photodiode
        • InGaAs Small Panel Linear Array Focal Plane Detector
        • OP411D InGaAs SPAD Detector
        • OP320D Negative Feedback Avalanche Photodiode
        • OP410D InGaAs Negative Feedback Avalanche Photodiode
        • OP401D InGaAs SPAD Detector
        • OP430D Dual Channel InGaAs SPAD Detector
        • OP400D InGaAs SPAD Detector
        • OP301D InGaAs Geiger Mode Negative Feedback Avalanche Photodiode
        • OP300D InGaAs Geiger Mode Avalanche Photodiode
      • Camera
        • InGaAs Face Array Focal Plane Camera
        • InGaAs Camera Linear Focal Plane Camera
        • Visible Light⁺ Near-Infrared Camera
      • Sensitive Detection
        • InGaAs Free Running Single Photon Detector
        • InGaAS Gated Single Photon Detector
        • InGaAs Deep Cooled Free Running Single Photon Detector
        • InGaAs Geiger Avalanche Focal Plane Module
        • InGaAs Single Photon 4×4 Array Detector Assembly
        • Miniaturized Free Running Single Photon Detector QCD600C
        • Si Free Running Single Photon Detector
        • InGaAs Avalanche Photodetector
        • OP501C InGaAs 4×4 Array SPAD Component
        • OP510C InGaAs Free-running Mode Array SPAD Component
        • OP520C InGaAs 8×8 Array SPAD Component
        • OP500C InGaAs 4×4 Array SPAD Component
      • Scientific Research Instruments
        • Cold Atomic Gravimeter
        • Femtosecond Laser Frequency Comb
        • Single Photon Imaging System
        • Single Photon Ranging System
        • Time-to-Digital Converter
      • Laser
        • JJ1001 High-Speed Directly Modulated Laser 7PIN
        • JJ1003 High-Speed Directly Modulated Laser 14PIN
        • JJ1782 Low Noise High Power Laser 14PIN
        • JJ1006 Superradiant Light Emitting Diode 8PIN
        • JJ7000 Thermoelectrically-Cooled Coaxial DFB Laser TO60
        • Narrow Linewidth Laser
        • C/L Wavelength Tunable Module
      • Modular Spectrometer
        • LUNA Series Miniaturized Spectrometers
        • FURI Series —High-Performance Modular Spectrometer
        • LINA Series NIR Modular Spectrometer
        • Riki High-Sensitivity Modular Spectrometer
        • NAGA Series Miniature Modular Spectrometer
  • Applications
  • Why LONTEN?
  • Resources
    • News
  • Support
  • Investors
  • Our Company
  • Contact Us
  • Products
    • All Products
      • Optoelectronic Integration
        • InGaAs Array Focal Plane Sensor GD-NIR32030M
        • InGaAs Array Focal Plane Sensor GD-NIR64015M
        • InGaAs Avalanche Photodiode
        • InGaAs Large Panel Linear Array Focal Plane Detector
        • InGaAs Negative Feedback Avalanche Photodiode
        • InGaAs Small Panel Linear Array Focal Plane Detector
        • OP411D InGaAs SPAD Detector
        • OP320D Negative Feedback Avalanche Photodiode
        • OP410D InGaAs Negative Feedback Avalanche Photodiode
        • OP401D InGaAs SPAD Detector
        • OP430D Dual Channel InGaAs SPAD Detector
        • OP400D InGaAs SPAD Detector
        • OP301D InGaAs Geiger Mode Negative Feedback Avalanche Photodiode
        • OP300D InGaAs Geiger Mode Avalanche Photodiode
      • Camera
        • InGaAs Face Array Focal Plane Camera
        • InGaAs Camera Linear Focal Plane Camera
        • Visible Light⁺ Near-Infrared Camera
      • Sensitive Detection
        • InGaAs Free Running Single Photon Detector
        • InGaAS Gated Single Photon Detector
        • InGaAs Deep Cooled Free Running Single Photon Detector
        • InGaAs Geiger Avalanche Focal Plane Module
        • InGaAs Single Photon 4×4 Array Detector Assembly
        • Miniaturized Free Running Single Photon Detector QCD600C
        • Si Free Running Single Photon Detector
        • InGaAs Avalanche Photodetector
        • OP501C InGaAs 4×4 Array SPAD Component
        • OP510C InGaAs Free-running Mode Array SPAD Component
        • OP520C InGaAs 8×8 Array SPAD Component
        • OP500C InGaAs 4×4 Array SPAD Component
      • Scientific Research Instruments
        • Cold Atomic Gravimeter
        • Femtosecond Laser Frequency Comb
        • Single Photon Imaging System
        • Single Photon Ranging System
        • Time-to-Digital Converter
      • Laser
        • JJ1001 High-Speed Directly Modulated Laser 7PIN
        • JJ1003 High-Speed Directly Modulated Laser 14PIN
        • JJ1782 Low Noise High Power Laser 14PIN
        • JJ1006 Superradiant Light Emitting Diode 8PIN
        • JJ7000 Thermoelectrically-Cooled Coaxial DFB Laser TO60
        • Narrow Linewidth Laser
        • C/L Wavelength Tunable Module
      • Modular Spectrometer
        • LUNA Series Miniaturized Spectrometers
        • FURI Series —High-Performance Modular Spectrometer
        • LINA Series NIR Modular Spectrometer
        • Riki High-Sensitivity Modular Spectrometer
        • NAGA Series Miniature Modular Spectrometer
  • Applications
  • Why LONTEN?
  • Resources
    • News
  • Support
  • Investors
  • Our Company
  • Contact Us

Home » Blog » Narrow‑Linewidth Laser Module Comparison and Alternatives Recommendations

Narrow‑Linewidth Laser Module Comparison and Alternatives Recommendations

  • May 20, 2025
based on a semiconductor gain chip and utilizes a unique external cavity structure and advanced packaging technology. It features narrow linewidth, low relative intensity noise (RIN), and low phase noise.

Fundamentals of Laser Linewidth

Narrow-linewidth lasers represent a crucial technology in modern photonics, characterized by exceptionally pure spectral output and high temporal coherence. Recent developments have achieved remarkable linewidths as small as sub-hertz levels, with coherence lengths potentially extending over millions of kilometers. 

Laser linewidth refers to the spectral width of a laser’s frequency spectrum, serving as a critical metric for evaluating the purity and stability of laser light. It is typically measured as the full-width at half-maximum (FWHM) of the optical power spectral density. The concept of linewidth is fundamentally tied to the temporal coherence of laser light, with narrower linewidths indicating greater temporal coherence and lower phase noise.

The theoretical foundation for understanding laser linewidth was first developed for masers by Gordon, Zeiger, and Townes in 1955, who derived a semi-classical model for linewidth in microwave amplifiers. When lasers were later developed, Schawlow and Townes transferred this theory to optical frequencies, establishing what became known as the Schawlow-Townes linewidth equation.

 

The Narrow Linewidth Laser module from Lontenoe is a 1550 nm single-frequency laser packaged in a 14‑pin butterfly housing with integrated TEC and thermistor. It uses an external‐cavity semiconductor gain chip to achieve extremely narrow spectral output (≤3 kHz), low phase noise, and low relative intensity noise (RIN). Key features include:

  1. Linewidth: ≤3 kHz (–20 dB spectral width), typical ≈1 kHz, single-longitudinal‐mode output.
  2. Phase noise & RIN: Very low (substantially lower than generic DFB lasers), enhancing coherence.
  3. Output power: Typical 15 mW (max ≈20 mW at 25 °C, 200 mA). Slope efficiency ≈0.3 W/A.
  4. Side-mode suppression: SMSR ≥50 dB at 25 °C, 15 mW output.
  5. Temperature range: –40 °C to +70 °C operating (–50 to +100 °C storage), thanks to integrated TEC and thermistor.
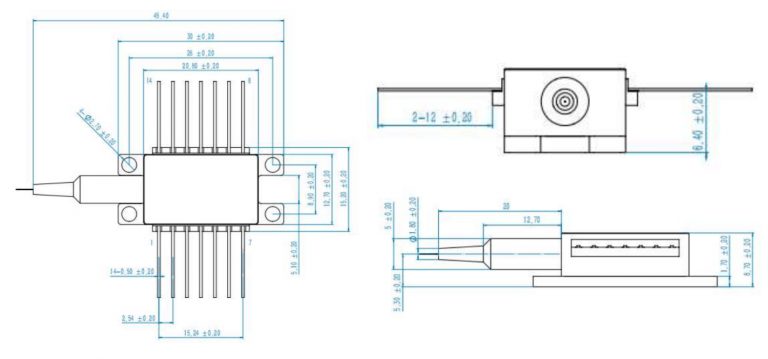
  6. Packaging: Standard 14‑pin butterfly (OC‑48 pinout) with built-in TEC/thermistor and FC/UPC fiber pigtail. The gold‑plated butterfly is compact and rugged, suitable for OEM modules.
14‑pin butterfly laser package (mechanical drawing from datasheet). Pins 1–7 are on one side (thermistor, LD–, TEC+, TEC–, etc.) and 8–14 on the opposite side (see table below).

Pinout (14‑pin butterfly): Thermistors on 1–2, LD drive (LD–, LD+) on 3, 11, 12, 13; TEC ± on 6–7; pins 8–9 to case (mounting); others NA. This package facilitates integration into high-performance modules.

 

Applications: This narrow-linewidth laser is ideal for coherent and interferometric applications requiring high stability and coherence. Suggested uses include quantum key distribution (QKD) transmitters, fiber‐optic gyroscopes (FOGs), coherent communications, LiDAR, fiber sensing and interferometry. For example, Agiltron notes that narrow-linewidth lasers with low phase noise are “ideal for…fiber optic gyroscopes (FOGs), LiDAR, and Doppler velocimetry”. Likewise, NKT Photonics cites fiber‐optic sensing and quantum applications for its low-noise lasers.

Key Specifications

  1. Linewidth: ≤3 kHz (typ.), single-frequency output. (–20 dB width; –3 dB linewidth likely <1 kHz.)
  2. SMSR: ≥50 dB (min.), ensuring a clean, single-mode output.
  3. Phase Noise: Extremely low; at 1 Hz offset, phase noise is far below that of typical DFBs. (Exact PSD not listed, but marketed as “low phase noise”.)
  4. RIN: Very low. Though no numeric RIN curve is given, the spec sheet emphasizes “low relative intensity noise (RIN)”, typical of external-cavity lasers.
  5. Optical Power: ~15 mW typical (max ~20 mW) at 25 °C, IF=200 mA. High slope efficiency (~0.3 W/A) yields >10 mW output above threshold.
  6. Wavelength: 1550 nm (λ tuned within ±0.005 nm at 25 °C). Wavelength shifts ~0.08 nm/°C.
  7. Temperature: Rated –40 °C to +70 °C (case), enabling operation in harsh environments. A built-in TEC and thermistor support wide-range temperature control.
  8. Bias and Power: Forward drive current up to 200 mA; reverse voltage ≤2 V, reverse current ≤10 μA.

These optoelectronic and environmental parameters highlight very stable, high‐coherence operation. The combination of narrow linewidth and low noise yields long coherence length (>>10 km) and makes the module suitable for precision sensing and communications. The device’s datasheet contains detailed curves; for example, it shows >15 mW output at 200 mA and linear response up to saturation.

Mechanical & Pin Configuration

The laser arrives in a 14-pin butterfly package (OCD48 style) with lugs for mounting. The figure above shows the package dimensions. Key features:

  1. Fiber pigtail: Single-mode FC/UPC fiber (typically 9 μm core) with integrated isolator in front, exiting one side.
  2. Case: Gold-plated can, 45.4 mm long, with two mounting lugs for chassis attachment【2†】.
  3. Pins: Two rows of 7 pins each, spaced 2.54 mm. Table below lists pin functions:
PinFunctionPinFunction
1Thermistor8Case
2Thermistor9Case
3LD–10N/C
4N/C11LD+
5N/C12LD–
6TEC+13LD+
7TEC–14N/C

This pinout (two thermistors, dual LD electrodes, dual TEC, two case pins) is standard for butterfly lasers. The dual LD pins allow a monitor photodiode (PD) if present, but this model does not include an internal PD (all LD+ and LD– are laser electrodes) – note that pins 12 and 3 are both LD– for redundancy.

Comparative Performance

Parameter

This Module (Lonten)

NKT Photonics Koheras

OEwaves HI-Q

EMCORE (e.g. 1782 DFB)

Linewidth

≤3 kHz (–20 dB)

~0.1 kHz (100 Hz) (Basik); <1 kHz for others

Ultra-narrow (sub-kHz, down to Hz)

~1 MHz (typ.)

SMSR

≥50 dB

≥50–60 dB (fiber DFB typical)

Very high (fiber lasers, >50 dB)

~30 dB

Phase Noise

Very low (graded low-N)

Ultra-low (–100 dB@1 Hz, Basik)

Exceptionally low (self-injection locking)

Moderate (typical DFB, see RIN)

RIN (Relative Int.)

Very low (−160…–170 dB/Hz regime, implied)

Ultra-low (RIN peak ~–100 dBc/Hz)

Ultra-low (application-specific)

–163 dB/Hz

Output Power

~15 mW (max ~20 mW)

10–200 mW (fiber-coupled versions)

Low to moderate (<10 mW typical, some amplifier options)

40–100 mW

Temp. Range

–40…+70 °C

Usually 0…+50 °C (benchtop)

0…+50 °C (benchtop/ rack)

–20…+65 °C

Package

14-pin butterfly (TEC+thermistor)

Fiber-laser module (all-fiber or rackmount)

Bench-top/fiber-coupled module

14-pin butterfly (TEC, isolator)

Price/Performance

Moderate (OEM-level cost)

Very high (≳$20–$40k for fiber lasers)

Very high (typically custom systems, $30k+)

Moderate ($1k–$5k for telecom lasers)

Typical Use Cases

QKD, coherent comms, FOG, sensing

Metrology, precise spectroscopy, quantum systems

Advanced sensing (quantum, metrology, aerospace)

DWDM/CATV communications, short-range LiDAR

Linewidth: The Lonten module achieves ~1–3 kHz linewidth (–20 dB), far narrower than standard DFB lasers. In contrast, NKT’s Koheras Basik fiber lasers boast linewidths <0.1 kHz (100 Hz) by design. OEwaves’ HI‑Q lasers use self-injection locking to whispering-gallery resonators, yielding an “exceptionally narrow Lorentzian linewidth” (often sub-kHz or even sub-100 Hz). EMCORE’s 1782-series DFB modules have ~1 MHz linewidth – adequate for telecom but orders of magnitude wider.

 

SMSR: The module’s SMSR ≥50 dB, good for many coherent applications. Koheras lasers typically exceed 50–60 dB (as required for single-frequency fiber lasers). OEwaves HI‑Q lasers, being single-frequency by locking, inherently have extremely high SMSR (>50 dB). The EMCORE 1782 DFB’s SMSR is only ~30 dB – marginal by modern standards (telecom DFBs often >40 dB, but this older design is lower).

 

Phase Noise & RIN: Phase noise correlates with linewidth: NKT Basik has ultra-low phase noise (e.g. –105 dBrad²/Hz @1 Hz). OEwaves explicitly markets “ultra-low noise” (phase/frequency) lasers. The Lonten module’s phase noise is much lower than typical DFBs, though not as good as the finest fiber lasers; it is described simply as “low phase noise”. RIN: the module is said to have low RIN (presumably on the order of –160 to –170 dB/Hz, similar to EMCORE’s –163 dB/Hz). NKT Basik RIN peaks around –100 dBc/Hz (very low), while EMCORE’s DFB is specified at –163 dB/Hz (typical telecom class). In practice, all these lasers have RIN much below –140 dB/Hz above a few MHz offset.

 

Output Power: The narrow-linewidth module provides about 15 mW (≈13 dBm) out of the butterfly. NKT Koheras fiber lasers can deliver from ~10 mW to >100 mW (depending on model and any amplifier) – although power often capped by the need to maintain narrow linewidth. OEwaves HI‑Q lasers are seed lasers; output is typically low (<10 mW) unless paired with an amplifier. EMCORE’s 1782 DFB lasers offer much higher power: up to 100 mW (40–100 mW options) for telecom applications, albeit at 1550 nm or 1310 nm.

 

Operating Temperature: The butterfly module’s range (–40…+70 °C) is very broad, thanks to the built-in TEC. Koheras fiber lasers generally require ambient control (0–50 °C typical lab environment). OEwaves systems also need benchtop stability (≈0–40 °C). EMCORE’s cooled butterfly lasers are rated –20…+65 °C, similar but narrower than Lonten’s.

 

Packaging & Integration: The Lonten laser is a compact 14-pin butterfly (with TEC, thermistor, isolator, pigtail) suitable for direct mounting in OEM modules. NKT’s products are all-fiber, enclosed modules (e.g. “MIKRO” versions) or rack-mounted systems; integration requires fiber coupling. OEwaves’ lasers come as stabilized bench modules (box-shaped, fiber output), which are less convenient for tight OEM integration. EMCORE lasers are also 14-pin butterflies (sometimes with small can or connector), intended as drop-in components for transmitters.

 

Price/Value: NKT’s ultra-low-noise fiber lasers are very expensive (often tens of thousands of USD) due to specialized components (high-Q fibers, custom cavity). OEwaves lasers are also premium, custom-built devices costing in the tens of thousands. EMCORE DFB modules are mid-range, typically a few thousand USD per unit for telecom. The Lonten narrow-linewidth module would fall between, likely in the low to mid-thousands (an OEM price, not publicly listed). Its price/performance is attractive for engineers needing a narrow-linewidth source without the cost of a fiber laser.

 

Use-Case Recommendations

  1. Lonten Narrow-Linewidth Module: Suited for coherent optical systems and sensors where a few-kHz linewidth suffices. Examples: QKD transmitters, fiber interferometers (strain/temperature sensing), compact FOGs, coherent communication testbeds. The wide temp range makes it good for field systems.
  2. NKT Koheras Fiber Lasers: Best for highest-performance scientific and metrology applications (optical clocks, ultra-long coherence interferometry) that demand sub-kHz (often <100 Hz) linewidth and extremely low noise. Used in research labs for quantum, sensing, frequency standards. Not typically for mass-deployed telecom hardware (too costly and high-power).
  3. OEwaves HI-Q Lasers: Target cutting-edge quantum and aerospace applications. Their ultra-narrow linewidth and vibration robustness make them ideal for atomic sensors, satellite-based optical systems, or any application where absolute lowest phase noise is critical. Also used in quantum computing and high-resolution LiDAR. (Not a commodity part; requires specialized design.)
  4. EMCORE DFB Lasers: Designed for telecommunications (DWDM/CATV transmitters). Good for coarse linewidth needs (<1 MHz), high power (tens of mW), and telecom temperature ranges. Also usable in industrial LiDAR or short-range coherent links where cost is important and extreme coherence is not needed. The 1782-series is rugged and cost-effective but with only ~30 dB SMSR and ~MHz linewidth, so it’s not ideal for precision metrology.

Summary Table

Parameter

Lonten Narrow‐Linewidth (14pin Butterfly)

NKT Koheras Fiber Lasers

OEwaves HIQ Laser

EMCORE 1782 DFB Laser

Linewidth (–20 dB)

≤3 kHz

<0.1 kHz (Basik); <1 kHz others

Sub-kHz (Hz-scale)

~1 MHz

SMSR

≥50 dB

≥50–60 dB

>50 dB

~30 dB

Phase Noise

Very low (low-N grade)

Ultra-low (phase PSD ~–105 dB at 1 Hz)

Ultra-low (whispering-gallery lock)

Moderate (typical DFB noise)

RIN

Very low (<–150 dB/Hz likely)

Ultra-low (RIN peak ~–100 dB)

Ultra-low (spec’d for high SNR)

–163 dB/Hz

Output Power

≈15 mW (max ~20 mW)

10–200 mW (fiber output)

<10 mW (seed only)

40–100 mW

Temp. Range

–40…+70 °C

0…+50 °C (controlled lab)

0…+40 °C (controlled bench)

–20…+65 °C

Package/Integration

14pin butterfly with TEC/thermistor

Fiber-coupled module (benchtop)

Bench-top fiber module

14pin butterfly, built-in TEC

Relative Cost

Moderate (OEM)

High (≫$20k)

Very high (≫$30k, custom)

Moderate ($1–$5k)

Ideal Applications

QKD, coherent comms, FOGs, sensing

Metrology, quantum optics, fiber sensing

Quantum sensors, aerospace, atomic clocks

DWDM/CATV transmitters, LiDAR

PrevPreviousInGaAs SPAD 8×8 Array Module OP520C: Applications, Features and Comparison
NextInGaAs Avalanche Photodiode: Application, Comparison and AlternativesNext

Contact us for more information.

Contact Us
mail Contact

Lonten blends innovation with precision to deliver advanced optoelectronic solutions.Guided by Integrity, Innovation, Collaboration, and Responsibility, we empower research and industry.

Optoelectronic Integration

InGaAs Avalanche Photodiode
InGaAs Negative Feedback Avalanche Photodiode
InGaAs Large Panel Linear Array Focal Plane Detector
InGaAs Small Panel Linear Array Focal Plane Detector
InGaAs Array Focal Plane Sensor GD-NIR32030M
InGaAs Array Focal Plane Sensor GD-NIR64015M

Sensitive detection

InGaAs Free Running Single Photon Detector
InGaAs Deep Cooled Free Running Single Photon Detector
Miniaturized Free Running Single Photon Detector QCD600C
Si Free Running Single Photon Detector
InGaAs Gated Single Photon Detector
InGaAs Avalanche Photon Detector
InGaAs Single Photon 4x4 Array Detector Assembly
InGaAs Geiger Avalanche Focal Plane Module
InGaAs Linear Focal Plane Camera
InGaAs Face Array Focal Plane Camera
Visible Light+Near-Infrared Camera

Scientific Research Instruments

Cold Atomic Gravimeter
Femtosecond Laser Frequency Comb
Single Photon Ranging System
Single Photon Imaging System

About Us

Contact Us

© 2026 LONTEN All Rights Reserved.

Privacy Policy